Ningbo Richge Technology Co., Ltd.
Ningbo Richge Technology Co., Ltd.
Produk
ZN12-12 Seri Sakelar Terpadu Kolom Switch Vacuum Circuit Breaker
  • ZN12-12 Seri Sakelar Terpadu Kolom Switch Vacuum Circuit BreakerZN12-12 Seri Sakelar Terpadu Kolom Switch Vacuum Circuit Breaker
  • ZN12-12 Seri Sakelar Terpadu Kolom Switch Vacuum Circuit BreakerZN12-12 Seri Sakelar Terpadu Kolom Switch Vacuum Circuit Breaker

ZN12-12 Seri Sakelar Terpadu Kolom Switch Vacuum Circuit Breaker

Model:ZN12-12
Seri ZN12-12 Indoor AC HV Vacuum Circuit Breaker adalah peralatan dalam ruangan dari tiga fase AC 50Hz, tegangan terukur 12kV, yang memperkenalkan teknologi dari perusahaan Jerman. Ini cocok untuk area dengan semua jenis beban dan pengoperasian yang sering, dan dapat digunakan untuk perlindungan dan kontrol industri dan penambangan, perusahaan, pembangkit listrik dan fasilitas listrik gardu. Produk ini sesuai dengan persyaratan terkait standar GB1984, JB3855, DL403 dan IEC.

ZN12-12 Seri Sakelar Terpadu Kolom Switch Vacuum Circuit Breaker

  Zn12-12 Pemutus sirkuit vakum tegangan tinggi dalam ruangan dengan tegangan 12kV dan switchgear tegangan tinggi dalam ruangan berikut, terutama dipasang di switchgear tetap, untuk perusahaan industri dan pertambangan, pembangkit listrik dan gardu untuk perlindungan dan pengendalian fasilitas listrik, dan cocok untuk memecah beban penting dan pengoperasian yang berkecimpung untuk pengoperasian tempat!

  Pemutus sirkuit vakum seri ZN12 adalah perangkat switchgear tegangan tinggi dalam ruangan dengan tegangan terukur 12kV, 24kV, dan 40.5kv, dan AC 50Hz tiga fase. Ini adalah produk domestik yang dikembangkan dengan memperkenalkan teknologi Siemens 3AF Jerman. Mekanisme operasi pemutus sirkuit adalah jenis penyimpanan energi pegas, yang dapat dioperasikan oleh AC atau DC, atau secara manual. Pemutus sirkuit memiliki struktur sederhana, kapasitas pemecahan yang kuat, umur layanan yang panjang dan fungsi operasi lengkap. Dan tidak ada bahaya ledakan, dan pemeliharaannya sederhana. Ini cocok untuk pengendalian atau sakelar perlindungan dari transmisi daya dan sistem distribusi seperti pembangkit listrik, gardu induk dan perusahaan industri dan pertambangan, terutama cocok untuk memecahkan beban penting dan tempat operasi yang sering. Bentuk pemasangan pemutus sirkuit di kabinet sakelar dapat berupa tipe tetap atau pemutus sirkuit tipe yang dapat ditarik. Produk ini sesuai dengan standar yang relevan seperti GB1984, JB3855 dan IEC62271-100 "Pemutus Sirkuit AC tegangan tinggi".


Keuntungan:

1. Pemutus sirkuit melewati penilaian Kementerian Mesin dan Kementerian Tenaga Listrik pada 96 Agustus, yang berarti kualitasnya benar -benar dijamin.

Mekanisme pemutus sirkuit diintegrasikan dengan sakelar, dan mekanisme aktuator jenis penyimpanan energi pegas khusus dapat dioperasikan oleh penyimpanan energi AC dan DC atau dioperasikan secara manual.

Dengan struktur sederhana, kapasitas pemecahan yang kuat, umur layanan yang panjang, fungsi operasi yang lengkap, tidak ada bahaya ledakan dan pemeliharaan yang mudah, pemutus sirkuit ini cocok untuk kontrol atau perlindungan saklar transmisi daya dan sistem distribusi seperti pembangkit listrik, jaringan listrik kota, gardu induk, dll. Ini sangat cocok untuk memecahkan beban dan tempat -tempat penting dengan seringnya operasi.


Fitur:

1. Kapasitas pemecahan ruang pemadam busur tinggi, daya dukung saat ini rendah, dan kehidupan listriknya panjang.

2. Tata letak berasal dari depan ke belakang, struktur sederhana dan kompak, operasi lengkap dan pemeliharaan yang mudah.

3. Untuk menyusun dan pemasangan, mereka dapat dibagi menjadi: tipe tetap horizontal, tipe tetap yang cenderung, tipe bergerak set tengah.






Info dasar.



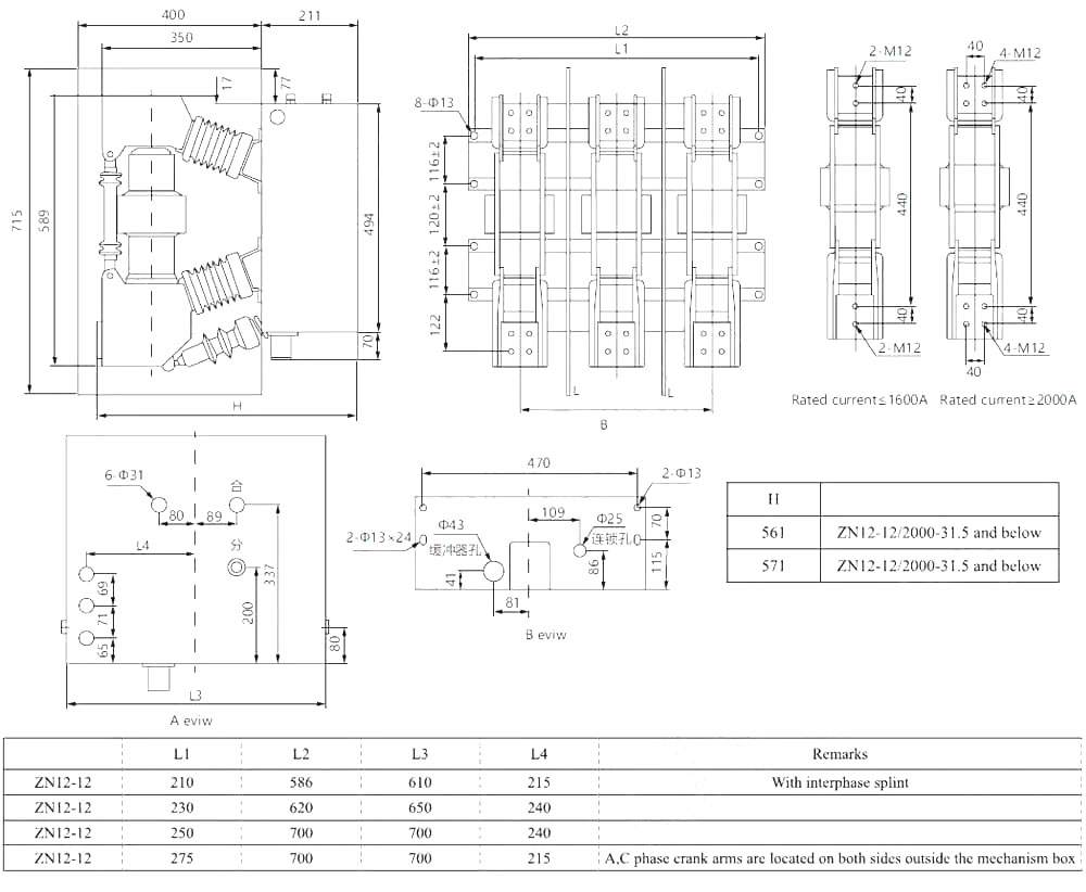
Parameter teknis



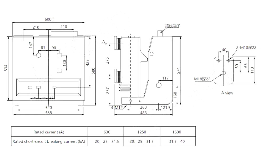
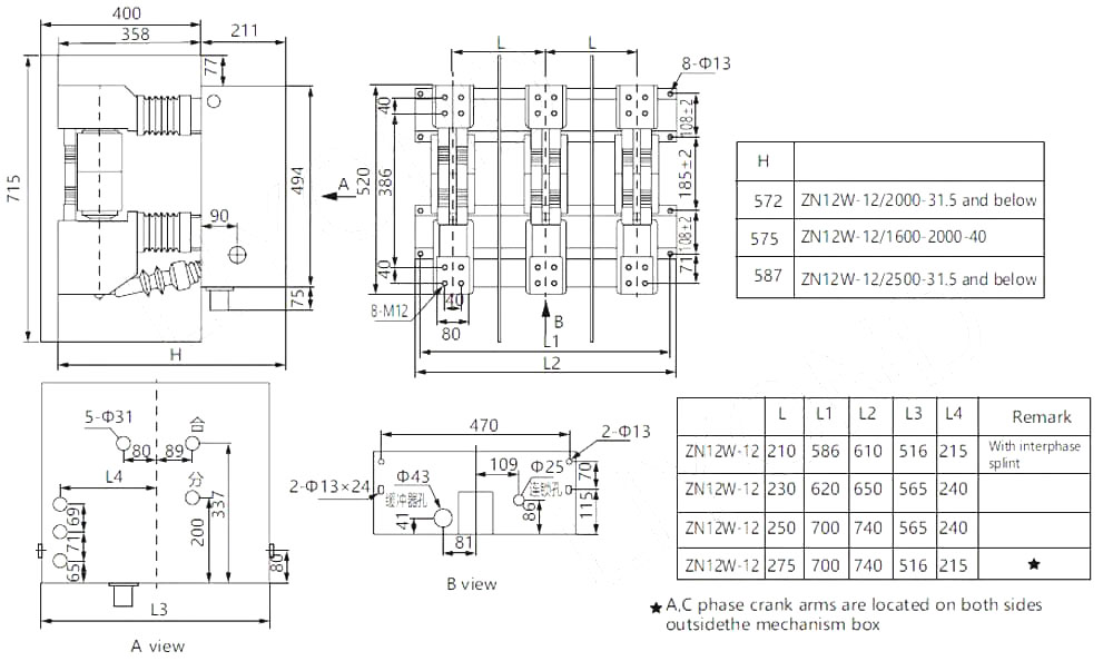
Gambar teknis


Kondisi Penggunaan ZN12-12 Sakelar Kolom Terpadu Vakum Sirkuit Pemutus1. Altitude: ≤1000 m; (Ketinggian prototipe dapat mencapai di bawah 4000 meter)

2. Suhu sekitar: tertinggi +40 ° C, terendah -25 ° C;

3. Kelembaban relatif: Rata -rata harian tidak lebih dari 95%, rata -rata bulanan tidak lebih dari 90%;

4. Intensitas gempa: kurang dari 8;

5. Lingkungan Instalasi: Tidak ada kebakaran, bahaya ledakan, tidak ada gas korosif dan tidak ada tempat getaran kekerasan.

6. Silakan hubungi produsen pemutus sirkuit vakum jika lingkungan penggunaan melebihi di atas.




FAQ

T: Bisakah saya memiliki harga produk Anda?

A: Selamat datang. Silakan kirim pertanyaan kepada kami di sini. Kami akan membalas Anda dalam waktu 24 jam.


T: Dapatkah saya mendapatkan sampel sebelum pesanan curah?

A: Ya, kami menyambut pesanan sampel untuk menguji dan memeriksa kualitas. Sampel yang dimasukkan dapat diterima.


T: Bisakah kita mencetak nama logo/ perusahaan kita pada produk?

A: Ya, tentu saja, kami menerima OEM, kemudian membutuhkan Anda untuk memberikan otorisasi merek kepada kami


T: Apakah Anda menerima kustomisasi produk?

A: Ya, tentu saja, berikan gambar atau parameter tertentu, kami akan mengutip Anda setelah evaluasi


T: Apa waktu tunggu?

A: Waktu utama tergantung pada jumlah yang dipesan, umumnya dalam 7-20 hari setelah menerima pembayaran.


T: Apa persyaratan perdagangan Anda?

A: Kami menerima EXW, FOB, CIF, FCA, dll.


T: Apa metode pembayaran Anda?  

A: Kami menerima T/T, Western Union, Paypal, L/C yang tidak dapat dibatalkan, dll


T: Apakah Anda memeriksa produk jadi?

A: Ya, setiap langkah produksi dan produk jadi akan keluar inspeksi oleh Departemen QC sebelum pengiriman. Dan kami akan memberikan laporan inspeksi barang untuk referensi Anda sebelum pengiriman


T: Bagaimana menyelesaikan masalah kualitas setelah penjualan?

A: Ambil foto masalah kualitas dan kirimkan kepada kami untuk pemeriksaan dan konfirmasi kami, kami akan membuat solusi yang puas untuk Anda dalam waktu 3 hari.




Pabrik


Sertifikat




Tag Panas: ZN12-12 Seri Sakelar Terpadu Kolom Switch Vacuum Sirkuit Pemutus, Cina, Produsen, Pemasok, Pabrik, Harga Rendah, Kualitas, Penjualan Terbaru, Advanced
mengirimkan permintaan
Info kontak
Untuk pertanyaan tentang switchgear tegangan rendah, isolator tegangan tinggi, saklar pembumian tegangan tinggi, atau daftar harga, silakan tinggalkan email Anda kepada kami dan kami akan menghubungi Anda dalam waktu 24 jam.
X
We use cookies to offer you a better browsing experience, analyze site traffic and personalize content. By using this site, you agree to our use of cookies. Privacy Policy
Reject Accept