Ningbo Richge Technology Co., Ltd.
Ningbo Richge Technology Co., Ltd.
Produk
VBI-124 Tipe Tetap Insulasi Silinder MV Pemutus Sirkuit Vakum
  • VBI-124 Tipe Tetap Insulasi Silinder MV Pemutus Sirkuit VakumVBI-124 Tipe Tetap Insulasi Silinder MV Pemutus Sirkuit Vakum
  • VBI-124 Tipe Tetap Insulasi Silinder MV Pemutus Sirkuit VakumVBI-124 Tipe Tetap Insulasi Silinder MV Pemutus Sirkuit Vakum

VBI-124 Tipe Tetap Insulasi Silinder MV Pemutus Sirkuit Vakum

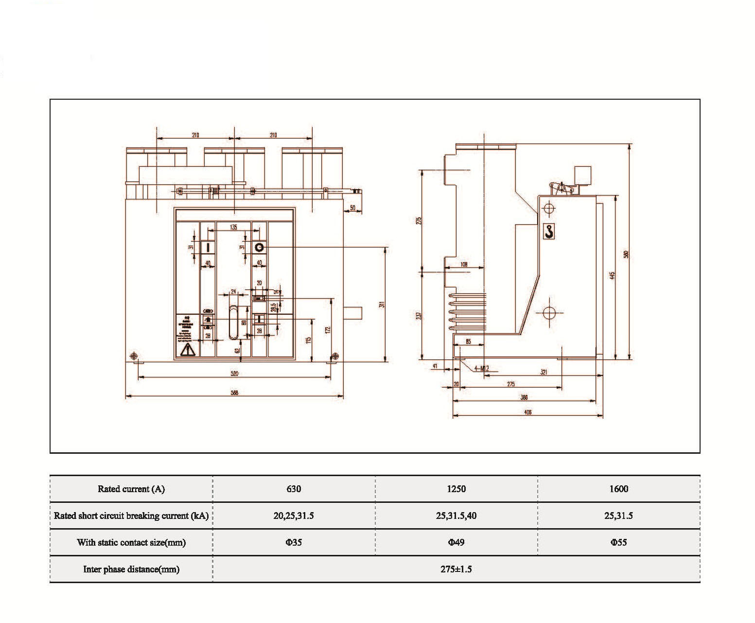
Model:VBI-24
VBI Series Indoor Vacuum Circuit Breaker adalah generasi baru pemutus sirkuit vakum cerdas. Komponen hidupnya, termasuk interrupter vakum berkinerja tinggi dan terminal keluar atas dan bawah, dienkapsulasi dalam resin epoksi post terminal. Desain ini membantu mencegah kontaminasi pada permukaan interrupter vakum, meningkatkan sifat isolasi, stabilitas mekanis, dan memperpanjang umur operasionalnya. Mekanisme operasi gelas sirkuit vakum jenis vbi-24 yang dipasang di samping digunakan pegas untuk energi penyimpanan, yang dapat dioperasikan dengan dua cara, manual atau listrik. Karakteristik sesuai dengan GB1984-89, JB3855-96<10kv Indoor High Voltage Vacuum Circuit Breaker General Technical Specifications>, Ketentuan yang relevan dari standar IEC56. VBI-124 Pemutus sirkuit vakum tegangan tinggi dalam ruangan adalah tiga fase AC 50Hz, tegangan pengenal perangkat indoor 24kV, untuk perusahaan industri dan pertambangan, pembangkit listrik dan gardu gardu sebagai kontrol peralatan listrik dan tujuan perlindungan, dan untuk sering operasi tempat tersebut.

VBI-124 Tipe Tetap Insulasi Silinder MV Pemutus Sirkuit Vakum

   Seri VBI-124 dari pemutus sirkuit vakum tegangan tinggi dalam ruangan dengan tiang tertanam adalah tiga frasa A.C.50 Hz peralatan distribusi daya dalam ruangan dengan tegangan pengenal 24 kV. Ini digunakan untuk melindungi dan mengendalikan peralatan listrik di bidang industri dan perusahaan penambangan, pembangkit listrik dan gubringan.

   Sirkuit konduktif utama dari pemutus sirkuit vakum jenis ini dengan mekanisme pegas adalah tiang tertanam, yang dapat sangat meningkatkan keandalan isolasi, kinerja mekanis dan pemecahan dan benar-benar menyadari pemeliharaan bebas dan masa pakai mekanik dan listrik yang lebih lama. Pemutus sirkuit vakum jenis ini sesuai dengan standar nasional dan ketentuan standar IEC. Kemampuan mencapai tingkat M-E2-C2.

   Produk ini digunakan untuk banyak jenis switchgear seperti KYN28-24 (GZS1) dan dapat diperbaiki.

  VBI-124 Pemutus sirkuit vakum tegangan tinggi dalam ruangan adalah tiga fase AC 50Hz, tegangan pengenal perangkat indoor 24kV, untuk perusahaan industri dan pertambangan, pembangkit listrik dan gardu gardu sebagai kontrol peralatan listrik dan tujuan perlindungan, dan untuk sering operasi tempat tersebut.







Info dasar.


Parameter teknis




Gambar teknis

FAQ

T: Bisakah saya memiliki harga produk Anda?

A: Selamat datang. Silakan kirim pertanyaan kepada kami di sini. Kami akan membalas Anda dalam waktu 24 jam.


T: Dapatkah saya mendapatkan sampel sebelum pesanan curah?

A: Ya, kami menyambut pesanan sampel untuk menguji dan memeriksa kualitas. Sampel yang dimasukkan dapat diterima.


T: Bisakah kita mencetak nama logo/ perusahaan kita pada produk?

A: Ya, tentu saja, kami menerima OEM, kemudian membutuhkan Anda untuk memberikan otorisasi merek kepada kami


T: Apakah Anda menerima kustomisasi produk?

A: Ya, tentu saja, berikan gambar atau parameter tertentu, kami akan mengutip Anda setelah evaluasi


T: Apa waktu tunggu?

A: Waktu utama tergantung pada jumlah yang dipesan, umumnya dalam 7-20 hari setelah menerima pembayaran.


T: Apa persyaratan perdagangan Anda?

A: Kami menerima EXW, FOB, CIF, FCA, dll.


T: Apa metode pembayaran Anda?  

A: Kami menerima T/T, Western Union, Paypal, L/C yang tidak dapat dibatalkan, dll


T: Apakah Anda memeriksa produk jadi?

A: Ya, setiap langkah produksi dan produk jadi akan keluar inspeksi oleh Departemen QC sebelum pengiriman. Dan kami akan memberikan laporan inspeksi barang untuk referensi Anda sebelum pengiriman


T: Bagaimana menyelesaikan masalah kualitas setelah penjualan?

A: Ambil foto masalah kualitas dan kirimkan kepada kami untuk pemeriksaan dan konfirmasi kami, kami akan membuat solusi yang puas untuk Anda dalam waktu 3 hari.




Pabrik


Sertifikat




Tag Panas: VBI-124 Tipe Tetap Insulasi Silinder MV Vakum Pemutus Sirkuit, Cina, Produsen, Pemasok, Pabrik, Harga Rendah, Kualitas, Penjualan Terbaru, Advanced
mengirimkan permintaan
Info kontak
Untuk pertanyaan tentang switchgear tegangan rendah, isolator tegangan tinggi, saklar pembumian tegangan tinggi, atau daftar harga, silakan tinggalkan email Anda kepada kami dan kami akan menghubungi Anda dalam waktu 24 jam.
X
Kami menggunakan cookie untuk menawarkan Anda pengalaman penelusuran yang lebih baik, menganalisis lalu lintas situs, dan mempersonalisasi konten. Dengan menggunakan situs ini, Anda menyetujui penggunaan cookie kami. Kebijakan Privasi
Menolak Menerima